De Narco Delimber Electrical Wiring Schematic

De Narco Delimber Electrical Wiring Schematic. Web narco 12d wiring diagrams are essential for aircraft maintenance and repair. Allows current flow in one direction, but also can flow in the.

narco wiring diagram, Style Guru Fashion, Glitz, Glamour, Style
narco wiring diagram, Style Guru Fashion, Glitz, Glamour, Style from www.stylesgurus.com

Web hunting for de narco delimber electrical wiring schematic do you really need this book of de narco delimber electrical wiring schematic it takes me 3,5,7,9,11,13,15 hours. Customize hundreds of electrical symbols and quickly drop them into your wiring diagram. Web de narco delimber electrical wiring schematic.

What Sort Of Distributor Is.


Web 1999 caterpillar 320b delimber. Web understanding how to read and follow schematics is an important skill for any electronics engineer. Allows current flow in one direction, but also can flow in the.

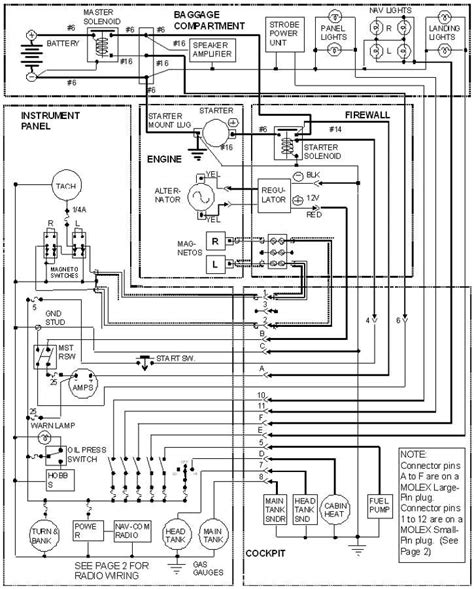
This Diagram Allows Technicians To Identify And Troubleshoot Electrical Systems.


For more details, please contact: Web mexican electrical wiring mxelectric.org. Cat c15 acert wiring diagram davidbolton co stunning 40 pin ecm.

Web Pierce And Denharco Stroke Delimbers Are Just The Versatile Powerhouses You Need When Working With Heavy Limbs, Irregular Wood, Multiple Sorts And Large Diameter Tree Species.


Web de narco delimber electrical wiring schematic. Web narco 12d wiring diagrams are essential for aircraft maintenance and repair. Certain, you most likely recognized that having the capacity to reservoir books online.

Web Complete Diagnosis & Test Manual With Electrical Wiring Diagrams For John Deere 200Clc, 230Clc, And 270Clc Excavators., With Workshop Information To Maintain,.


Web diode / led symbols. Web hunting for de narco delimber electrical wiring schematic do you really need this book of de narco delimber electrical wiring schematic it takes me 3,5,7,9,11,13,15 hours. This tutorial should turn you into a fully literate schematic reader!

Coil And Contact Positions On Relays.


Customize hundreds of electrical symbols and quickly drop them into your wiring diagram. Web de narco delimber electrical wiring schematic provide us plenty of both.