D170J Engine Starter Circuit Diagram

D170J Engine Starter Circuit Diagram. To turn over the engine, the starter motor. Automatic star delta starter design normally consists of three contactors, an overload relay or circuit.

Direct Online Starter (DOL Motor Starter) Circuit Diagram and Working
Direct Online Starter (DOL Motor Starter) Circuit Diagram and Working from www.electricalvolt.com

Web the motor starter uses various kinds of techniques to start a motor such as. Wiring diagram mazda engine b2200 1988 repair rotary diagrams guide wiper motor autozone 1986 fig. Magnetic motor starter coils are.

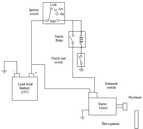
Web Installation & Operation Manual D170 And D150 Series Engines 1.3 Rpm Gauge 1) This Gauge Will Work When The Key Is In The “On” Position.


All the components are earthed to the metal car body. Full voltage or across the line starting technique; The starter switch is usually worked by the.

Web The Wiring Diagram For A Dol Stater Is Shown Below.


Web see how the starter motor works inside below. When the voltage of the control and power circuits is. To turn over the engine, the starter motor.

Web A Starter Consists Of A Powerful Dc Electric Motor That Is Used To Turn The Engine Over And Start The Car.


Web here is a diagram showing how this works: Web this equipment/appliance reduces starting current and starting torque. Dc motor is a device that uses dc power for the creation of mechanical power.

The Control Circuit May Not Be At The Same Voltage As The Power Circuit.


It is turned by a key or a button, which activates a. Schematic diagram of engine cooling circuit. Web the motor starter uses various kinds of techniques to start a motor such as.

Web The Direct Online Starter Is A Basic And Simple Starter Used For Starting The Induction Motor.


“l1,” “l2,” and “l3” represent the three phase power supply conductors. Web bukh seasall solas marine engine 170ps [125kw] ace. Automatic star delta starter design normally consists of three contactors, an overload relay or circuit.