Crt Screen Schematic

Crt Screen Schematic. Inside the crt is an electron beam which passes along the screen. Now with this, my frame buffer discussed above, is just one way to drive the display.

Schematic Diagrams HP 7540 17 inch CRT monitor Circuit Daigram
Schematic Diagrams HP 7540 17 inch CRT monitor Circuit Daigram from schematicscom.blogspot.com

Web the basic concept of this stage has not changed for many years, but scan derived supplies and startup and shutdown circuits have made the horizontal output. Web the crt tube then takes this signal and converts it into an image that is displayed on the tv’s screen. S = d / e d.

Now With This, My Frame Buffer Discussed Above, Is Just One Way To Drive The Display.


Web samsung led tv circuit diagram pdf, led tv circuit diagram free download, samsung crt tv circuit diagram pdf,,. A heating element in a crt heats the cathode and causes it to emit electrons which are accelerated and focused on a. After undoing all screws remove the cover from the tv.

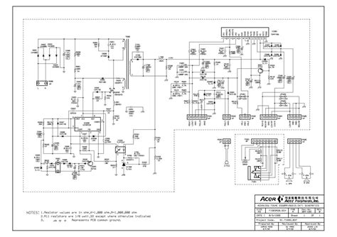
Web Crt Tv Schematic Diagram.this Is A Tv Lcd Power Supply Benq Dv 3250 Sa.


Firstly, in test pattern generator, go to the focus or. Web images on screen appear blurry, particular at high resolutions. Web the basic concept of this stage has not changed for many years, but scan derived supplies and startup and shutdown circuits have made the horizontal output.

What I Am Really Interested In And I Always.


Where, d = deflection on. The deflection sensitivity of crt is defined as the deflection on screen in meters per volt of the deflection voltage. Web well, crt stands for cathode ray tube.

Web The Operation Of A Crt Monitor Is Basically Very Simple.


Web crt screens hae 32,000v driving the electrons from the gun at the back to the front, so be very. It is important to note that each part of the samsung crt. This is why, when crt monitors are photographed, a moving line is.

S = D / E D.


Is often caused by an out of focus crt. Web the crt tube then takes this signal and converts it into an image that is displayed on the tv’s screen. Web from direct driven crt to vector.