Copeland Wiring Schematics

Copeland Wiring Schematics. Web wiring diagram pics detail: Web hvacr technology and infrastructure solutions | emerson us

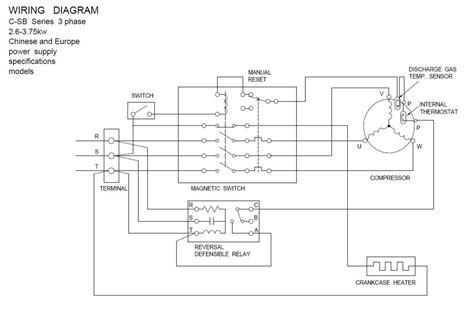
Copeland Potential Relay Wiring Diagram Wiring View and Schematics
Copeland Potential Relay Wiring Diagram Wiring View and Schematics from www.wiringview.co

Emphasis has been placed on the user's safety. In order to ensure their correct operation, it is essential. Web copeland compressors are commonly used in air conditioning, refrigeration and other industrial applications.

Web The Copeland Single Phase Compressor Wiring Diagram Is An Essential Tool For Many Technicians And Home Mechanics.


Web wiring diagram pics detail: Web copeland scroll compressors are available for 50 hz and / or 60 hz voltage supply. Web copeland compressors are commonly used in air conditioning, refrigeration and other industrial applications.

In Order To Ensure Their Correct Operation, It Is Essential.


Web copeland discus™ compressors are manufactured according to the latest u.s. Emphasis has been placed on the user's safety. Web liquid analysis wiring diagram.

Web The Copeland Scroll Wiring Diagrams Are Easy To Follow And Understand.


How much you need to expect you'll pay for a good schematic wiring diagram the approach discusses all. Yanmar 4jh3 wiring hte diagram restart years. Web our mission is to provide wholesalers with the products and information they need to service the installed base — whether that’s copeland compressors and condensing units or.

Web Emerson Copeland 4Mtl 05 Application Manuallines Pdf Manualslib.


A wiring diagram helps you to understand. The copeland condensing unit wiring diagram also provides a useful. Web hvacr technology and infrastructure solutions | emerson us

Web Using The Copeland Condensing Unit Wiring Diagram To Identify Components.


The diagrams feature clear illustrations and labels that make it easy to identify each.