Commax Intercom Wiring Diagram

Commax Intercom Wiring Diagram. Color video door phone (19 pages). By clint byrd | october 24, 2017.

Commax Wiring Diagram Pdf Wiring Diagram
Commax Wiring Diagram Pdf Wiring Diagram from wiringdiagram.2bitboer.com

Web commax intercom wiring diagram. Web their diagrams provide a great foundation for any intercom system project, making sure that everything is connected properly the first time around. Web best intercom system

Color Video Door Phone (19 Pages).


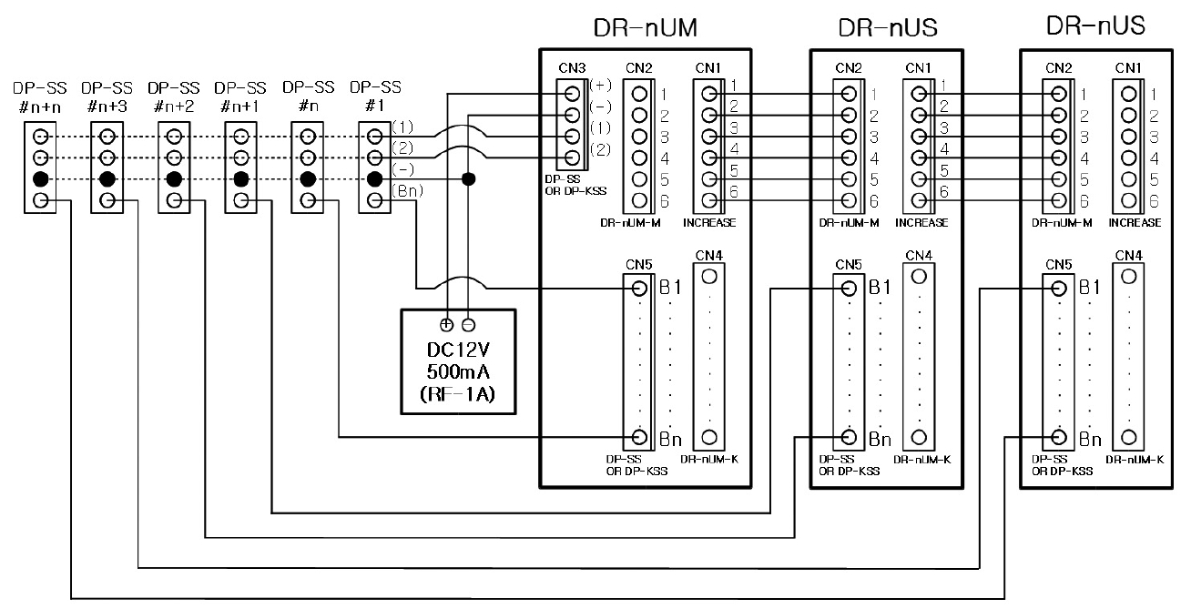
Commax wire intercom user manual (6 pages) intercom system. It shows how to safely connect the components. Web the commax intercom wiring diagram offers users a comprehensive guide to installing their intercom system.

Web In This Video You Will Find Solution And Wiring Diagram For Commax Video Camera Intercom Also Find Wiring Circuit To Unlock Electric Door Using Relays And Tr.


Web commax intercom wiring diagram pdfs will typically have a variety of diagrams for different types of intercom systems. Web best intercom system For anyone looking to simplify.

(2 Pages) Intercom System Commax.


Commax 10 ons audio intercom door bell panel for apartment house call talk dr 10am best. Web commax intercom 1 to kit 12v dc dp 2sd saunderson security. Web commax korean intercom complete tutorials unboxing and installation very very easy wayhow to install audio intercomintercom wiring diagramcommax intercom in.

This Makes It Easy To Find The Right.


Web their diagrams provide a great foundation for any intercom system project, making sure that everything is connected properly the first time around. Web #doorphoneforhome #video_intercom_wiring_diagram #commax_intercomhi friends in this video i will show you how to install intercom door phone system for home. Li404b tne intercom strobe light.

Web Electrical Basic Words In New Students Page Commax Intercom Wiring Diagram Facebook.


By clint byrd | october 24, 2017. Web commax intercom wiring diagram. Door camera (11 pages) intercom system.