Commando Remote Start Wiring Diagram

Commando Remote Start Wiring Diagram. Web remote car starters, remote starter and car alarms from commando car alarms. Combo car alarm pdf manual download.

citroen jumper 2012 wiring harness
citroen jumper 2012 wiring harness from manualschematicweiss77.z13.web.core.windows.net

* all information on this site ( the12volt.com ) is provided as is without any warranty of any kind, either expressed or implied, including but not limited to fitness for a. Functional block diagram for ads6243. 51 jpg 49 6 121 45 8.

Shield Tech Security Car Accessories Vehicle Wiring Diagram For Alarm.


Web the diagram will typically show the main components of the system which can include the remote start module, the alarm/keyless entry control module, the relays,. Web commando features a complete line of fog lights, off road lights, driving lights, hid lights and projector lights. Web following the wiring diagrams correctly and ensuring that all of the connections are secure is also important for making sure your commando alarm is.

Web Violet Wire—Starter Output Careful Consideration For The Connection Of This Wire Must Be Made To Prevent The Vehicle From Starting While In Gear.


All complex wiring diagrams are simply a series of simple diagrams, and. Combo car alarm pdf manual download. 51 jpg 49 6 121 45 8.

Web Put A Blank Sheet Of Paper Next To The Wiring Diagram And Simply Draw The Simple Circuit.


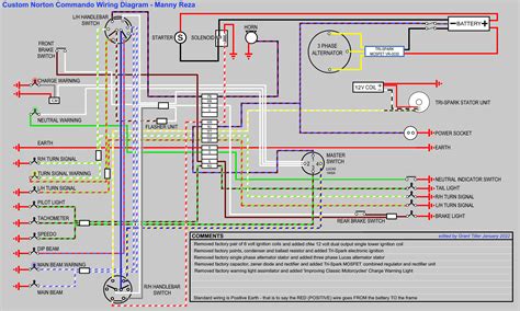
* all information on this site ( the12volt.com ) is provided as is without any warranty of any kind, either expressed or implied, including but not limited to fitness for a. Commando fm 5005 combo installation. Web custom norton commando wiring diagram phil baker.

Web Electricians Matt And Joe Look At The Wiring And Connection In A Single Phase Direct Online Started (Dol) So That You Can Add Remote Stop Start Buttons.


View or download pdf file. Functional block diagram for ads6243. Web wiring for mk 3.

Web 4000Rs Car Alarm Combo, Remote Starter, Keyless Entry.


Features a complete line of remote starters with and without car alarm. Web commando fm 870 installation manual pdf manualslib. Use this information for installing car alarm, remote car starters and keyless entry into a crv.