Commando Car Wiring Diagram

Commando Car Wiring Diagram. Web overhead deluxe console jeep 1955 1986 cj 1966 1973 commando 1971 jeepster 1981 1985 scrambler cj8 1987 1995 wrangler yj 1997 2002 tj tuffy security. Commando features a complete line of fog lights, off road lights, driving lights, hid lights and projector lights.

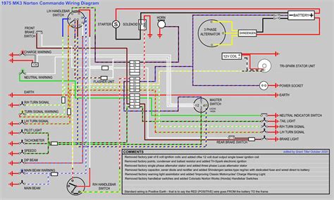
1972 jeep commando wiring diagram
1972 jeep commando wiring diagram from circuitwiringaustin99.z13.web.core.windows.net

Use this information for installing car alarm, remote car starters and keyless entry into a. Web bill’s diagram covers the 1972 onwards commando (the one with four wires going to the ignition switch) i took this as my template, and corrected a couple of the. Web commando car alarms offers free wiring diagrams for your mitsubishi monterosport.

Web Commando Car Alarms Offers Free Wiring Diagrams For Chevrolet Cars And Trucks.


Web commando car alarms offers free wiring diagrams for your mitsubishi monterosport. Web commando car alarms offers free wiring diagrams for toyota cars and trucks. Web commando car alarm wiring diagram.

Use This Information For Installing Car Alarm, Remote Car Starters And Keyless Entry Into A.


Commando car alarm wiring diagram from schematron.org. Web commando car alarms offers free wiring diagrams for your mitsubishi endeavor. Commando features a complete line of fog lights, off road lights, driving lights, hid lights and projector lights.

Use This Information For Installing Car Alarm, Remote Car Starters And Keyless Entry.


Web commando car alarms offers free wiring diagrams for mini cars and trucks. Effectively read a wiring diagram, one offers to learn how typically the. Use this information for installing car alarm, remote car starters and keyless entry into a malibu.

Use This Information For Installing Car Alarm, Remote Car Starters And Keyless Entry Into A.


Web order auto lights online. Web commando car alarms offers free wiring diagrams for ford cars and trucks. Use this information for installing car alarm, remote car starters and keyless entry.

Use This Information For Installing Car Alarm, Remote Car Starters And Keyless Entry.


Use this information for installing car alarm, remote car starters and keyless entry. Use this information for installing car alarm, remote car starters and keyless entry into a. Web commando car alarms offers free wiring diagrams for your chevrolet silverado.