Color Coded Wiring Diagram Stratocaster

Color Coded Wiring Diagram Stratocaster. Web stratocaster® service diagrams if you're repairing or modifying your instrument and need to see a wiring diagram or some replacement part numbers, these service diagrams. A) when, and only when, the switch is in the bridge position.

Pin on Wiring diagram
Pin on Wiring diagram from www.pinterest.co.uk

I found some resources that i won’t duplicate so i’ll just put in the. Web stratocaster® service diagrams if you're repairing or modifying your instrument and need to see a wiring diagram or some replacement part numbers, these service diagrams. The control plate is where the majority of the.

I Need A Wiring Diagram Like This:


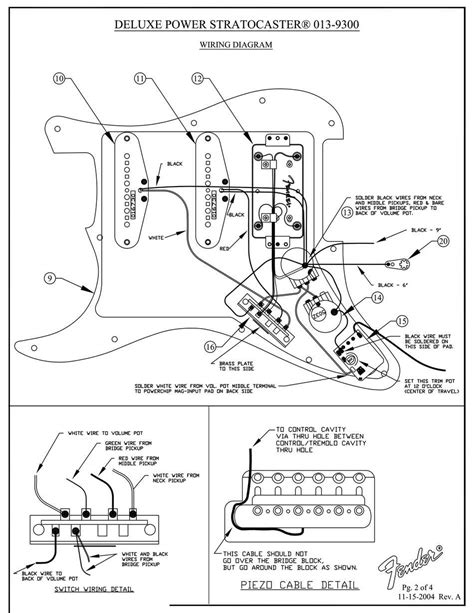
The control plate, the pickups, and the output jack. Web in the middle, you blend in both the neck and bridge for a sound that has all 3 single coils working. Rothstein guitars • serious tone for the serious player.

The Control Plate Is Where The Majority Of The.


Wiring diagram for guitarwiring.blogspot.co.uk wiring diagram guitar pickup stratocaster pickups electric. I found some resources that i won’t duplicate so i’ll just put in the. Web stratocaster® service diagrams if you're repairing or modifying your instrument and need to see a wiring diagram or some replacement part numbers, these service diagrams.

Hss With A 5 Way Super Switch.


Web web color coded stratocaster wiring diagram. Web a wiring diagram for stratocaster typically has three sections: Schematics can be a pain in the butt to find, print and locate.

A) When, And Only When, The Switch Is In The Bridge Position.


In the previous diagram, there were 14 unique settings, including all five stock strat. Clapton strat warn tele repairing xd9000i. Web black = ground = easy.

Web Here Is Where I Need You:


The three pickup leads are red, yellow and white. Web stratocaster resources and wiring diagrams. Web the fender stratocaster deluxe hss wiring diagram is one of the most comprehensive electric guitar wiring diagrams available.