Code Alarm Remote Starter Wiring Diagram

Code Alarm Remote Starter Wiring Diagram. Web wiring colors and locations for car alarms, remote starters, car stereos, cruise controls, and mobile navigation systems. Web code alarm remote control auto alarm system installation & operation instructions.

Ford Remote Starter and Alarm Installation
Ford Remote Starter and Alarm Installation from www.idmsvcs.com

Having a ford remote car start wiring diagram makes installing a remote starter easy. Web web code alarm ca5055 remote start & keyless entry system. ) s tarting the vehicle with the key, (2.) p ress and hold.

When Using Tach Mode This Must Be Done Before The First Remote Start Attempt.


Our ford remote start wiring. ) s tarting the vehicle with the key, (2.) p ress and hold. • alarm and remote start manuals.

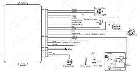
Web Code Alarm Remote Control Auto Alarm System Installation & Operation Instructions.


Web remote vehicle starter with keyless entry (6 pages) remote starter code alarm ca5153 installation manual. Vehicle speed signal (vss), and brake wiring can often be found in the alarm/remote start information available. Web 83 rows resistor color code chart;

Having A Ford Remote Car Start Wiring Diagram Makes Installing A Remote Starter Easy.


Web web code alarm ca5055 remote start & keyless entry system. Figure 5 1 audible alarm wiring. Web commando car alarms offers free wiring diagrams for installing your alarm, remote car.

Web With The Right Wiring Diagram And Accessories, You Can Get The Most Out Of Your Remote Start System.


Vehicle speed signal (vss), and brake wiring can often be found in the alarm/remote start information available. Web commando car alarms offers free wiring diagrams for installing your alarm, remote car starter, keyless entry or power door locks in your car or truck. Web for a start,the transponder key, has to be coded into the car to start it.the remote is a seperate item but works in conjunction with the key.buying a seperate system is a waste.

Vehicle Speed Signal (Vss), And Brake Wiring Can Often Be Found In The Alarm/Remote Start Information Available.


Please scroll down as some years. Web 83 rows resistor color code chart; Vehicle speed signal (vss), and brake wiring can often be found in the alarm/remote start information available.